han
Apiladores  Electricos  
Equipment: Electric Stacker With Single Reach
Brand:
QUALITY CERTIFICATIONS
logo iso
ISO 9001               ISO 14001
logo iso
OHSAS18000

 

Model:
WSER-2755P 4.5 / WSER-2755 5.5, 2.755 lbs. capacity


Characteristics:
Please click on the following thumbnails to see larger images.




ISO 9001 CERTIFICATIONS

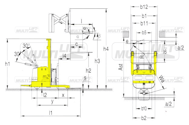
Specifications:


Model
WSER-2555P 4.5

WSER-2755P 5.5

Capacity until 3000 mm.
lbs.
2555
2755
Load Center (c)
mm.
400
400
Raised Height of Forks  (h3)
mm.
4,500
5,500
Reach Length (I4)
mm.
500
500
Forks length (L)
mm.
950
950
Forks width (e)
mm.
100
100
Lift speed
mm/s
120
120
Traveling  speed
Km./hr
4.5 km./hr
Gradient
%/mm
5% x 12000
Turning Radius (WA)
mm.
2050
Steer wheels diameter
mm.
150
 
Load wheels diameter
mm.
60
 
Overall height
mm.
1810
Net Weight
lbs.
183
 

Contact Multilift Manufacturing Co. Authorized Dealers
2005 Multilift Manufacturing Co. All rights reserved.